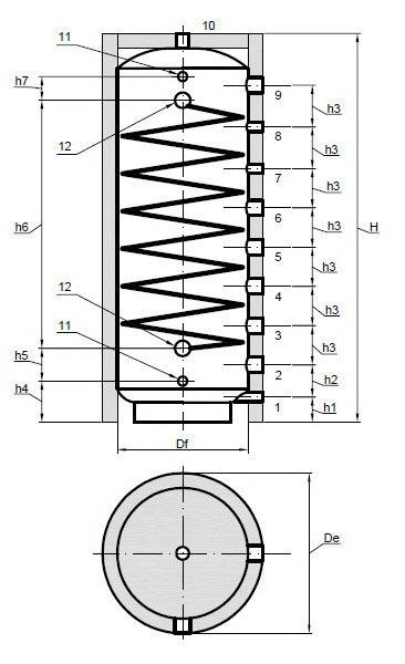
Теплоаккумулятор HFWT S-TANK представляет собой аккумулирующую емкость, покрытую теплоизоляцией, со встроенным теплообменником увеличенной площадью (3,8 кв.м.) для приготовления горячей воды. Теплообменник представляет собой гофрированную нержавеющую трубу из 304 стали. HFWT - это идеальный бак для приготовления свежей горячей воды. Продукт пользуется огромной популярностью в европейских странах, так как этот способ приготовления ГВС является самым благоприятным для качества самой воды, и как результат, она сохраняет все свои природные качества. Также к плюсам этого продукта, можно отнести отсутствие необходимости в профилактических работах по очистке от бактерий и его очень мощный теплообменник, способный передавать огромную мощность на нагрев ( до 120 кВт)! Для корректной работы данного бака при разборе ГВС должна работать циркуляция внутри самой емкости, что обеспечит максимальный теплосъем!
Буферная ёмкость с функцией ГВС S-Tank HFWT-1000
Покупка
Купить Буферная ёмкость с функцией ГВС S-Tank HFWT-1000
Стоимость уточняйте!
Под заказ (≈30 дней)
Телефон для связи: +375 29 7184545
Мы находимся: Новополоцк, ул. Нефтепереработчиков, 10/6 (район остановки "Подстанция").
Описание
Характеристики
- Производитель - S-Tank
- Страна производитель - Беларусь
- Объем бака - 1000.0 л
- Встроенный бак ГВС - Да
- Вес - 142.0 кг
- Гарантийный срок - 24 мес
- Тип резервуара по способу установки - Вертикальный
- Диаметр (без изоляции) - 790 мм
- Диаметр с изоляцией - 920 мм
- Высота - 2050 мм