Буферная ёмкость с функцией ГВС S-Tank HFWT Duo-2000

Буферная ёмкость с функцией ГВС S-Tank HFWT Duo-2000
  • Буферная ёмкость с функцией ГВС S-Tank HFWT Duo-2000
  • Буферная ёмкость с функцией ГВС S-Tank HFWT Duo-2000

Покупка

Купить Буферная ёмкость с функцией ГВС S-Tank HFWT Duo-2000

Стоимость уточняйте!

Под заказ (≈30 дней)


Телефон для связи: +375 29 7184545


Мы находимся: Новополоцк, ул. Нефтепереработчиков, 10/6 (район остановки "Подстанция").

Информация об оплате и доставке

Описание

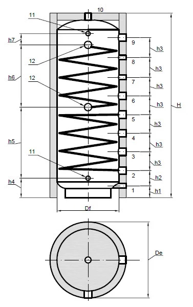
Бак серии HFWT DUO – это новое слово в системах горячего водоснабжения. Бак этой серии позволяет нагревать ГВС проточным способом. Как это работает: внутри бака установлен теплообменник большой мощности из стали SS 304, который передает тепло нагретой внутри бака воды, проходящей по теплообменнику. Таким образом, вода из Вашей скважины войдя в теплообменник, за время прохождения по нему, успевает нагреться с 8 градусов по Цельсию до 60 градусов и более. И на выходе Вы получаете свежую горячую воду! Такой тип баков не подвержен Легионелле! Очень компактен и прост в монтаже. Также, на основе такой конструкции, можно легкосделать систему с рециркуляцией ГВС. В серии DUO дополнительно установлен теплообменник для подключения солнечного коллектора и выполнен из стали, марки SS 304.

Характеристики

  • Страна производитель - Россия
  • Производитель - S-Tank
  • Материал резервуара - Сталь
  • Объем резервуара - 2.0 м3
  • Тип резервуара по способу установки - Вертикальный
  • Гарантийный срок - 24 мес.
  • Диаметр внутренний - 950 мм.
  • Диаметр внешний - 1150 мм.