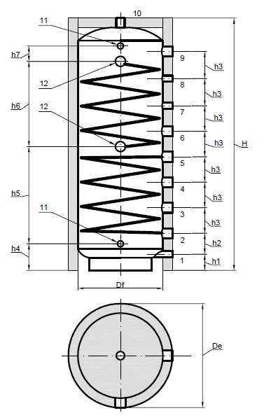
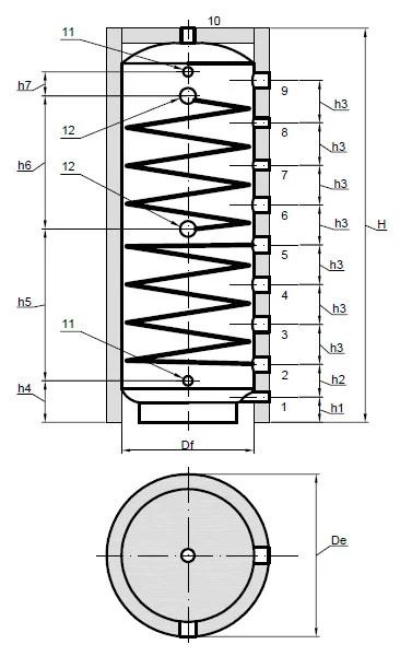
Бак серии HFWT DUO – это новое слово в системах горячего водоснабжения. Бак этой серии позволяет нагревать ГВС проточным способом. Как это работает: внутри бака установлен теплообменник большой мощности из стали SS 304, который передает тепло нагретой внутри бака воды, проходящей по теплообменнику. Таким образом, вода из Вашей скважины войдя в теплообменник, за время прохождения по нему, успевает нагреться с 8 градусов по Цельсию до 60 градусов и более. И на выходе Вы получаете свежую горячую воду! Такой тип баков не подвержен Легионелле! Очень компактен и прост в монтаже. Также, на основе такой конструкции, можно легкосделать систему с рециркуляцией ГВС. В серии DUO дополнительно установлен теплообменник для подключения солнечного коллектора и выполнен из стали, марки SS 304.
Буферная ёмкость с функцией ГВС S-Tank HFWT Duo-500
Покупка
Купить Буферная ёмкость с функцией ГВС S-Tank HFWT Duo-500
Стоимость уточняйте!
Под заказ (≈30 дней)
Телефон для связи: +375 29 7184545
Мы находимся: Новополоцк, ул. Нефтепереработчиков, 10/6 (район остановки "Подстанция").
Описание
Характеристики
- Страна производитель - Россия
- Производитель - S-Tank
- Материал резервуара - Сталь
- Объем резервуара - 0.5 м3
- Тип резервуара по способу установки - Вертикальный
- Гарантийный срок - 24 мес.
- Диаметр внутренний - 650 мм.
- Диаметр внешний - 850 мм.


